Everything Electrical for the Permit and Vintage Aeroplane

Troubleshoot
Equipment not working? We can diagnose the fault and suggest remedies.

Repair
Whether things have simply come adrift or the electrical gremlins have found their way in, we can repair it.

Rewire
Sometimes, either by desire or necessity, the only solution is a full rewire. If your wiring looks like a bowl of spaghetti we can undertake a partial or full rewire.

Design
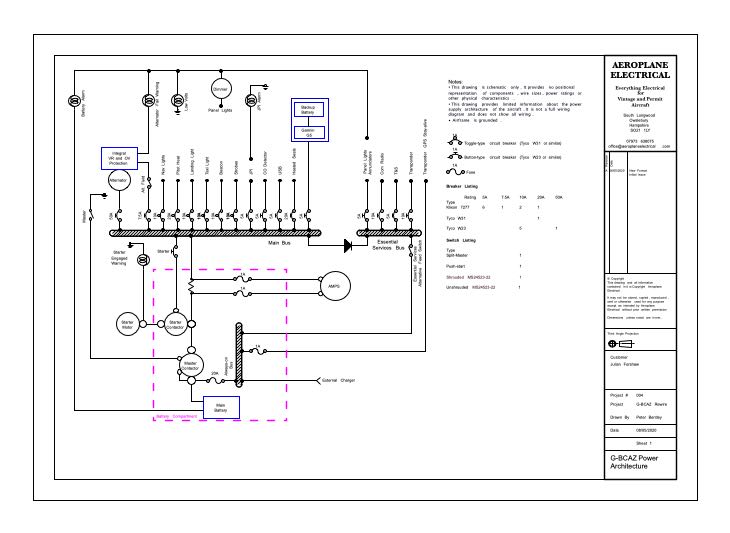
We offer a full design service from simple architecture for one-radio vintage aircraft through to complex wiring interconnect schemes for full glass panel systems.

Assemble
Where ever possible systems are pre-assembled on the bench and fully tested prior to installation. For all but the simplest systems we identify and mark every cable.

Install
Careful attention to detail at the installation stage is critical to reliability and longevity. The way your system is installed is as important as what you have chosen to install.

Configure
Any time there are two or more pieces of avionics talking to one another, some form of configuration is required. Whether we are trouble shooting or installing new, this is a vital part of the job.

Test
We believe in testing and diagnosing problems before we start work. We try and avoid the commonly applied chop-and-swap method which will get your systems working eventually but at what cost?

Document
There is an old saying that the aeroplane is not airworthy until the weight of the paperwork exceeds the weight of the airframe. Not strictly true, but we do take care to make sure all the paperwork is in order. We have an LAA inspector on site and access to CAA Licensed engineers where necessary.
Get In Touch
- office@aeroplaneelectrical.com
- 07973 638075
Aeroplane Electrical
South Longwood
Owslebury
Hampshire